ఆటోమేటిక్ స్ట్రీట్ లైట్ కంట్రోలర్
పంచాయతీ సిబ్బంది తో పని లేకుండా మీ పంచాయతీ నందు ఉన్న స్ట్రీట్ లైట్స్ ( వీధి దీపాలు ) వాతావరణానికి అనుగుణంగా ఆటోమేటిక్ గా సూర్యోదయంతో ఆన్ మరియు సూర్యాస్తమయం తో అఫ్ చేస్తుంది. మరియు లైట్స్ కి ఒక గార్డ్ లాగా పనిచేస్తుంది. మరియు కరెంటు బిల్ 20 % వరకూ తగ్గిస్తుంది.
ప్రోడక్ట్ వివరములు :
ప్రోడక్ట్ పేరు : ఆటోమేటిక్ స్ట్రీట్ లైట్ కంట్రోలర్
ఆపరేటింగ్ వోల్ట్టేజ్ : 180 -240 v / 380 – 415 v( custom requirement ),
కరెంటు క్యారింగ్ కెపాసిటీ : 5.5 kw,
లోడ్ ప్రొటెక్షన్ : అవసరానికి అనుగుణంగా
పేస్ : సింగల్ / త్రీ పేస్ లకు అనుగుణంగా ( custom requirement )
కంట్రోల్ టైప్ : మ్యానువల్ మరియు ఆటోమేటిక్
ఉపయోగ పడే స్థలము : వీది దీపములకు
ఇంక్లుడ్ : డివైస్, సెన్సార్ , వారెంటి కార్డు
స్ట్రీట్ లైట్ కంట్రోలర్
వాతావరణాన్ని ఆధారంగా చేసుకుని స్ట్రీట్ లైట్స్ ని ఆన్ మరియు ఆఫ్ చేస్తుంది . పనిచేయు విదానం
1. సూర్యాస్తమయం తో స్ట్రీట్ లైట్స్ ( వీధి దీపాలు ) ఆన్ అవుతాయి.
2. సూర్యోదయం తో స్ట్రీట్ లైట్స్ ( వీధి దీపాలు ) ఆఫ్ అవుతాయి.
PRICE : 14,999/-
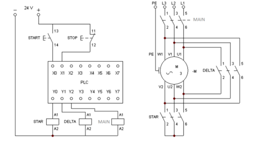
Demo Connection diagram
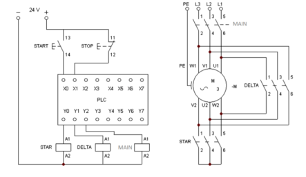
Demo Connection diagram

